此类熔断器底座有两种结构:一种由载熔件和支持件/底座 组成( 图12.1),配装的螺栓连接式熔断体先固定在载熔件上,再 插入支持件/ 底座的静触头上形成一个完整的熔断器;另一种不 带载熔件,将配装的螺栓连接式熔断体直接用螺栓紧固在底座的 静触头上。根据用户需要,本公司还承制其他型式的非标熔断器 底座。
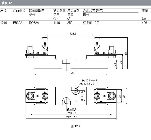
此类熔断器底座适用于交流50Hz、额定绝缘电压至 1000V、约定发热电流至630A,主要在电气线路中作为螺栓连 接式熔断体的支持件。产品具有耐受约定发热电流及预期短路冲 击电流至100kA 动热稳定的能力。