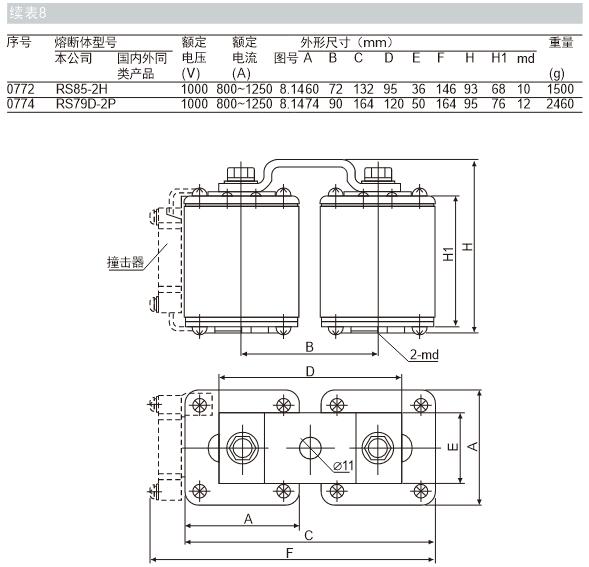
RS85-2H/RS79D-2P

产品中心

PRODUCT 励精图治/铸造茗熔辉煌

CENTER

Copyright 2022 (c)美尔森电气系统(浙江)有限公司温州茗熔分公司 All Rights Reserved. 浙ICP备2022011837号